欢迎访问无锡华尔圣科技有限公司官网!
网站地图
|
在线留言
全国服务热线
15006178058
华尔圣首页
关于我们
产品中心
绝对值编码器
增量式编码器
重载防爆型编码器
进口品牌编码器
拉线位移传感器
闸门开度仪
编码器专用附件
仪器仪表
测力传感器
油田海洋钻井平台专用产品
客户案例
合作伙伴
荣誉资质
企业风采
华尔圣资讯
公司动态
行业新闻
常见问题
联系华尔圣
当前位置:
首页
>>
产品中心
>>
绝对值编码器
>>
ProfiNet绝对值编码器
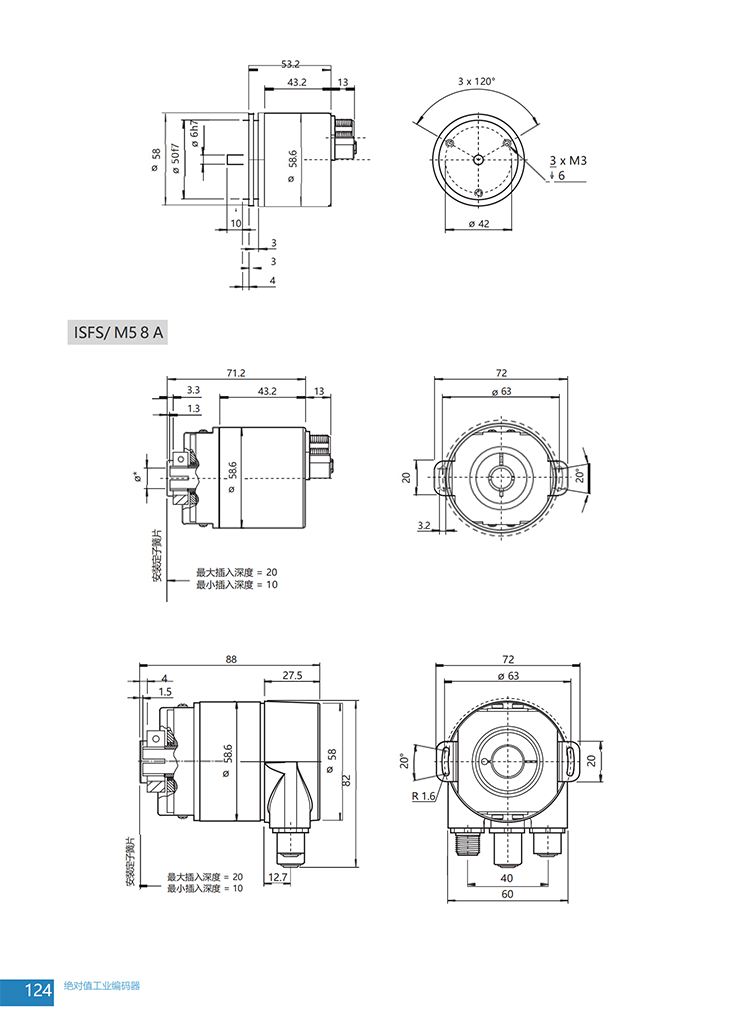
58外径盲孔插头连接抱紧环
58外径盲孔插头连接抱紧环
询价
产品简介
无锡华尔圣科技有限公司专注编码器15年-无锡华尔圣科技专业生产增量式编码器、防爆编码器、多圈(单圈)绝对值编码器、高脉冲编码器、拉绳式及非标准孔径编码器定制。厂家热线:15852834955
在线留言
全国服务热线
15006178058
内容详情
文章推荐
华尔圣编码器现场讲解
2024-08-23
华尔圣现场沟通编码器技术问题
2024-08-23
单圈和多圈绝对值编码器区别
2024-10-11
绝对值编码器的工作原理及其在电机控制中的应用
2024-10-11
增量编码器的分辨率是怎么算的?
2024-09-07
绝对值编码器精度跟分辨率有何关系?
2024-09-07
为您推荐
单圈58mm外径轴型同步法兰
单圈58mm外径轴型夹紧法兰
多圈58mm外径轴型同步法兰
多圈58mm外径轴型夹紧法兰
一键拨打
产品中心
一键导航
返回首页